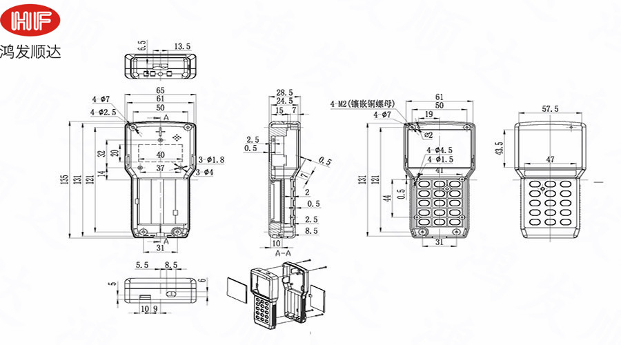
Specification
【Model】:HF-M-20
【Material】: ABS/PC
【Size】: 135*65*28mm
【Processing】:Can be customized according to customer requirements
【Color】:Can be customized according to customer requirements
【Surface Treatment】:Powder Coating,Painting and so on





