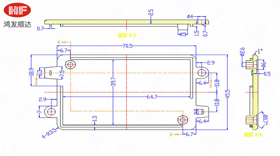
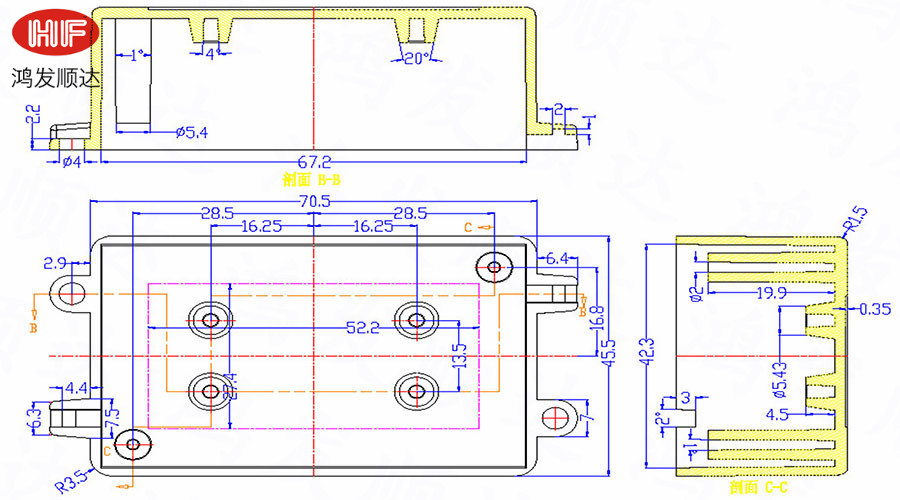
Specification:
【Model】: HF-N-90
【Material】: ABS/PC plastic etc.
【Size】: 70*46*30mm
【Processing】: Any hole processing can be performed according to customer requirements
【Color】: Customized as requested
【Surface Treatment】: Powder Coating,Painting and so on.






